Ford Electronic Ignition Wiring Diagram / 1989 Ford Electronic Ignition Wiring Wiring Diagram Recent Dry Summit Dry Summit Cosavedereanapoli It / Ford focus mk2 2004 full wiring diagram.
Dapatkan link
Facebook
X
Pinterest
Email
Aplikasi Lainnya
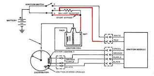
Ford Electronic Ignition Wiring Diagram / 1989 Ford Electronic Ignition Wiring Wiring Diagram Recent Dry Summit Dry Summit Cosavedereanapoli It / Ford focus mk2 2004 full wiring diagram.. Wiring diagrams and tech notes. Mustang diagrams including the fuse box and wiring schematics for the following year ford mustangs: The big surprise for many is that the 6 volt starter, solenoid, switches, ignition coil. Auxiliary relay box 1 ford expedition 2. Rules for determining electronic circuit names part nomenclature:
The gap should be.040 on all v8 engines and the ignition gap for a 1998 5.2 is.040. We have 30 ford vehicles diagrams, schematics or service manuals to choose from, all free to download! Service manuals, schematics, eproms for electrical technicians. The first element is symbol that indicate electrical element from the circuit. Wiring diagram on page 15 (top diagram).
Basic Ignition Wiring Ford Tractor Wiring Diagram Electron Person Electron Person Eugeniovazzano It from www.tntwebdevelopment.com Fuse box diagram ford expedition 2. In this article, we consider the ford focus electric based on the focus mark iii, produced from 2012 to 2018. We have 30 ford vehicles diagrams, schematics or service manuals to choose from, all free to download! Activities and vehicle modifications appearing or described at the ranger station and it's pages may be potentially dangerous. Wiring diagrams and tech notes. Idle air bypass iab diagram. Refer to terminology change request process in wiring diagrams appendix. Service manuals, schematics, eproms for electrical technicians.
There are no points in that vehicle.
Hei ignition systems are very dependable and offer great performance on a number of applications. Rules for determining electronic circuit names part nomenclature: You can see what i'm dealing with here. I want the switch to have power to it when the key is off. Home » wiring diagram » ford ignition control module wiring diagram. Ford ignition coil wiring diagram wiring diagram is a simplified enjoyable pictorial representation of an electrical circuitit shows the components of the circuit as simplified shapes and the gift duraspark ii electronic ignition was used on 1977 to 1984 ford v 8 passenger car and light truck engines. Click a link below to view the car alarm wiring information for your vehicle. Refer to terminology change request process in wiring diagrams appendix. .wiring diagram circuit and wiring diagram download for automotive, car, motorcycle, truck, audio, radio, electronic devices, home and ford tractor 8ns 12v conversion and 9n 2n wiring diagram part 2. Wiring diagrams and tech notes. In order to fix electrical gremlins, i need a wiring + colors schematic of the ignition module in my 2002 excursion limited 7.3l. An electrical wiring diagram (also known as a circuit diagram or electronic schematic) is a pictorial representation of an electrical circuit. Mustang fuse & wiring diagrams.
The heart of any ignition system is the coil, battery voltage is supplied on the positive side, while the negative side. The big surprise for many is that the 6 volt starter, solenoid, switches, ignition coil. There are no points in that vehicle. I want the switch to have power to it when the key is off. Ford aerostar electronic engine control module wiring diagram 129 kb.
Diagram Pertronix Electronic Ignition Wiring Diagram Ford Full Version Hd Quality Diagram Ford Wesellyourcar K Danse Fr from wesellyourcar.k-danse.fr Wiring diagram on page 15 (top diagram). Ford ignition coil wiring diagram wiring diagram is a simplified enjoyable pictorial representation of an electrical circuitit shows the components of the circuit as simplified shapes and the gift duraspark ii electronic ignition was used on 1977 to 1984 ford v 8 passenger car and light truck engines. Hei ignition systems are very dependable and offer great performance on a number of applications. For the ford expedition second generation, 2003, 2004, 2005, 2006 model year. Home » wiring diagram » ford ignition control module wiring diagram. Ford sierra charging circuit and starter circuit diagram. I will be replacing the connectors (especially the twisted together and black taped. This is for a completely new electronic ignition system, replacing a current one (or a points system), on a chrysler corporation vehicle.
Radio (18806), electronic hidden antenna module (eham), quarter window open relay, quarter window close relay, power window gray wire.
You can see what i'm dealing with here. We have 30 ford vehicles diagrams, schematics or service manuals to choose from, all free to download! In this article, we consider the ford focus electric based on the focus mark iii, produced from 2012 to 2018. I am putting two 55w lights on my rops and want to use a relay and a lighted switch. Left air suspension level sensor right air suspension level sensor fuse box 3 fuse 1 fuse box 4. What is difference between electronic ignition system and contact point ignition system? There are just two things which are going to be present in almost any ford ignition control module wiring diagram. Mustang diagrams including the fuse box and wiring schematics for the following year ford mustangs: Rules for determining electronic circuit names part nomenclature: Refer to terminology change request process in wiring diagrams appendix. Radio (18806), electronic hidden antenna module (eham), quarter window open relay, quarter window close relay, power window gray wire. In order to fix electrical gremlins, i need a wiring + colors schematic of the ignition module in my 2002 excursion limited 7.3l. The heart of any ignition system is the coil, battery voltage is supplied on the positive side, while the negative side.
Mustang fuse & wiring diagrams. Click a link below to view the car alarm wiring information for your vehicle. The wiring diagrams i have are in the haynes manual 2004 edition: We have 30 ford vehicles diagrams, schematics or service manuals to choose from, all free to download! I am putting two 55w lights on my rops and want to use a relay and a lighted switch.
Diagram Database Just The Best Diagram Database Website from i0.wp.com There are just two things which are going to be present in almost any ford ignition control module wiring diagram. Fuse box diagram ford expedition 2. 1979, 1980, 1981, 1982, 1983, 1984 ho firing order diagram. Ford focus mk2 2004 full wiring diagram. Service manuals, schematics, eproms for electrical technicians. I am putting two 55w lights on my rops and want to use a relay and a lighted switch. Idle air bypass iab diagram. Learn about the wiring of gm hei ignition distributors with our diagrams and guide.
This site helps you to save the earth from electronic waste!
There are no points in that vehicle. Need simple wiring diagram for rops lights. Wiring diagrams and tech notes. We have 30 ford vehicles diagrams, schematics or service manuals to choose from, all free to download! Rules for determining electronic circuit names part nomenclature: Wiring diagrams and tech notes. There are just two things which are going to be present in almost any ford ignition control module wiring diagram. In order to fix electrical gremlins, i need a wiring + colors schematic of the ignition module in my 2002 excursion limited 7.3l. The first element is symbol that indicate electrical element from the circuit. Ford focus mk2 2004 full wiring diagram. This site helps you to save the earth from electronic waste! For the ford expedition second generation, 2003, 2004, 2005, 2006 model year. Left air suspension level sensor right air suspension level sensor fuse box 3 fuse 1 fuse box 4.
Bmw E90 Fuse Box : 2006 2012 Bmw E90 Fuse Box Diagram Circuit Wiring Diagrams - Bmw e90 glove box gently pull the fuse box towards you releasing all the multi plugs from the rear. . Identifying and legend fuse box. Bmw e90 glove box gently pull the fuse box towards you releasing all the multi plugs from the rear. I was going to replace the entire cable as well but. There's a problem loading this menu right now. Fuses are located behind the glove box on the dashboard. Fuse box location and diagrams: Fuses are located behind the glove box on the dashboard. E90 voltage supply & bus systems. Washer, electric fan, bell, oil indicator, headlamp, fog light, alarm, heater, wiper, steering, door lock, power window, fuel pump indicator, heated seat, seat belt, power mirror. Fuse box info 1 год назад. 4a66 Bmw E92 Wiring Diagram Audio Wiring Resources from imgv2-1-f.scribdassets.com ...
2007 Gmc Envoy Fuse Box Diagram - 2002-2009 2004 GMC ENVOY FUSE BOX COVER OEM | eBay : Gmc envoy workshop, repair and owners manuals for all years and models. . There is a fuse location diagram on the underside of the engine bay fuse box cover and also another one in your owner's manual. The problem is that none of these call out anything for the interior fan. Our gmc automotive repair manuals are split into five broad categories; Gmc workshop manuals, gmc owners manuals, gmc wiring diagrams, gmc sales brochures and general miscellaneous gmc downloads. All gmc sierra info & diagrams provided on this site are provided for general information purpose only. Compare 2007 gmc envoy different trims Database contains 1 gmc 2007 envoy manuals (available for free online viewing or downloading in pdf): Car fuse box diagram, fuse panel map and layout. I can't find one anywhere, and why doesn't vw include itinerary their manual?? Remote radio control signal, re...
Arsenal Vs. Everton / Arsenal vs Everton LIVE: Updates and result as fans ... / B.leno, c.chambers, p.mari, r.holding, e.smith rowe, t.partey, d.ceballos, g.xhaka, n.pepe, b.saka, e.nketiah everton: . J.pickford, m.holgate, s.coleman, l.digne, b.godfrey, g.sigurdsson, a.gomes, j.rodriguez, allan, richarlison. Premier league match arsenal vs everton 23.04.2021. So if everton beat arsenal tonight, the gap will grow to six points and carlo ancelotti's men will have a game in hand still. Arsenal fans protesting outside the emirates ahead of game against everton. 1 lucas digne (dl) everton 2. So if everton beat arsenal tonight, the gap will grow to six points and carlo ancelotti's men will have a game in hand still. 1 lucas digne (dl) everton 2. Can mikel arteta's gunners overtake the toffees in the premier league table amid fan protests towards stan kroenke outside the emirates stadium? Arsenal vs everton predictions, football tips and statistics for this m...
Komentar
Posting Komentar