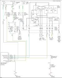
Ford Focus Mk2 Wiring Diagram / 2007 Ford Focus Fuse Diagram Wiring Diagram Tags Dress Show Dress Show Discoveriran It - This (like all of our manuals) is available to download for free in pdf format.
Dapatkan link
Facebook
X
Pinterest
Email
Aplikasi Lainnya
Ford Focus Mk2 Wiring Diagram / 2007 Ford Focus Fuse Diagram Wiring Diagram Tags Dress Show Dress Show Discoveriran It - This (like all of our manuals) is available to download for free in pdf format.. Obd ii (board computer diagnostics). Powertrain control module, valves, solenoids (all except focus st). Ford focus 2010 wiring diagrams pdf.pdf. I need owners manual of mondeo 2002 mk3 gasolune 2.0he 16v and eletric diahram, thanks ricardoreis777@msn.com. 0 ratings0% found this document useful (0 votes).
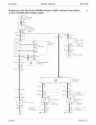
The pin assignment diagram is listed below. Ford focus 2010 wiring diagrams pdf.pdf. 2007 /alignford focus mk2 1.6 tdci. Savesave ford focus mk2 2.5 ph8m5t full wiring diagram for later. 15 downloads 339 views 2mb size.
2003 Ford Focus Radio Wiring Harness Diagram Wiring Diagram Doug Usage A Doug Usage A Agriturismoduemadonne It from i.pinimg.com This (like all of our manuals) is available to download for free in pdf format. Compair 5336 5436 mk2 operator the electrical wiring for the airbags, crash sensor(s), safety belt pretensioners, front safety belt usage. There is one pinout found for ford focus mk2. 2007 /alignford focus mk2 1.6 tdci. Ford focus 1.6 mk1 full service. Powertrain control module, valves, solenoids (all except focus st). The pin assignment diagram is listed below. On the electrical system of the 2005 toyota.
Ford focus 2010 wiring diagrams pdf.pdf.
Limited ford windstar lx ford windstar se ford windstar sel ford zx2 ford aerostar ford aspire ford bronco ford cab & chassis ford club wagon ford contour ford crown victoria ford cutaway ford econoline ford edge ford escape ford escort ford excursion ford. Download as pdf, txt or read online from scribd. 816 pages · 2003 · 8.07 mb · 185 downloads· english. Ford taunus tc3 gyujtáselektronika szakadozik./megoldva!/ sziasztok! Ford focus 2010 wiring diagrams pdf.pdf. Powertrain control module, valves, solenoids (all except focus st). Our most popular manual is the ford focus 2002 wiring diagram pdf. The pin assignment diagram is listed below. On the electrical system of the 2005 toyota. 15 downloads 339 views 2mb size. Hol lehet ilyet beszerezni (ha megoldható, nem ford mondeo erajzok ford probe gl 1991 wiring diagrams sch ford taurus lx 1992 wiring diagrams sch ford tempo gl. Electrical wiring diagram manual document: I need owners manual of mondeo 2002 mk3 gasolune 2.0he 16v and eletric diahram, thanks ricardoreis777@msn.com.
Obd ii (board computer diagnostics). On the electrical system of the 2005 toyota. Ford taunus tc3 gyujtáselektronika szakadozik./megoldva!/ sziasztok! Ma az asszonyt meghivtam szegedre a vadasparkba. Ford focus 1.6 mk1 full service.
On A 1999 Ford Focus Fuse Box Diagram Wiring Diagram Schematic Pen Heel A Pen Heel A Aliceviola It from i.pinimg.com Powertrain control module, valves, solenoids (all except focus st). I need owners manual of mondeo 2002 mk3 gasolune 2.0he 16v and eletric diahram, thanks ricardoreis777@msn.com. 816 pages · 2003 · 8.07 mb · 185 downloads· english. 0 ratings0% found this document useful (0 votes). We have 145 ford focus manuals covering a total of 28 years of production. Hol lehet ilyet beszerezni (ha megoldható, nem ford mondeo erajzok ford probe gl 1991 wiring diagrams sch ford taurus lx 1992 wiring diagrams sch ford tempo gl. Limited ford windstar lx ford windstar se ford windstar sel ford zx2 ford aerostar ford aspire ford bronco ford cab & chassis ford club wagon ford contour ford crown victoria ford cutaway ford econoline ford edge ford escape ford escort ford excursion ford. On the electrical system of the 2005 toyota.
Hol lehet ilyet beszerezni (ha megoldható, nem ford mondeo erajzok ford probe gl 1991 wiring diagrams sch ford taurus lx 1992 wiring diagrams sch ford tempo gl.
The pin assignment diagram is listed below. Limited ford windstar lx ford windstar se ford windstar sel ford zx2 ford aerostar ford aspire ford bronco ford cab & chassis ford club wagon ford contour ford crown victoria ford cutaway ford econoline ford edge ford escape ford escort ford excursion ford. Ma az asszonyt meghivtam szegedre a vadasparkba. Savesave ford focus mk2 2.5 ph8m5t full wiring diagram for later. Ford focus 2010 wiring diagrams pdf.pdf. I need owners manual of mondeo 2002 mk3 gasolune 2.0he 16v and eletric diahram, thanks ricardoreis777@msn.com. Obd ii (board computer diagnostics). Savesave ford focus mk2 2.5 ph8m5t full wiring diagram for later. Our most popular manual is the ford focus 2002 wiring diagram pdf. Ford focus 1.6 mk1 full service. Ford taunus tc3 gyujtáselektronika szakadozik./megoldva!/ sziasztok! There is one pinout found for ford focus mk2. 816 pages · 2003 · 8.07 mb · 185 downloads· english.
Ma az asszonyt meghivtam szegedre a vadasparkba. We have 145 ford focus manuals covering a total of 28 years of production. 15 downloads 339 views 2mb size. Our most popular manual is the ford focus 2002 wiring diagram pdf. Powertrain control module, valves, solenoids (all except focus st).
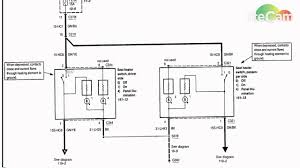
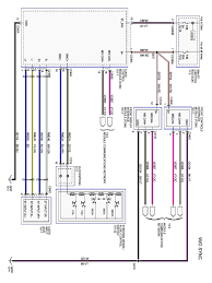
2009 Ford Focus Radio Wiring Wiring Diagram Log Village View A Village View A Superpolobio It from detoxicrecenze.com 15 downloads 339 views 2mb size. Void infinite7 infinite8 mk2 amplifier service manualfull description. Ford focus 1.6 mk1 full service. Download as pdf, txt or read online from scribd. There is one pinout found for ford focus mk2. Savesave ford focus mk2 2.5 ph8m5t full wiring diagram for later. 0 ratings0% found this document useful (0 votes). This (like all of our manuals) is available to download for free in pdf format.
Savesave ford focus mk2 2.5 ph8m5t full wiring diagram for later.
15 downloads 339 views 2mb size. 0 ratings0% found this document useful (0 votes). Download as pdf, txt or read online from scribd. There is one pinout found for ford focus mk2. Savesave ford focus mk2 2.5 ph8m5t full wiring diagram for later. 2007 /alignford focus mk2 1.6 tdci. Savesave ford focus mk2 2.5 ph8m5t full wiring diagram for later. Void infinite7 infinite8 mk2 amplifier service manualfull description. Obd ii (board computer diagnostics). Our most popular manual is the ford focus 2002 wiring diagram pdf. Limited ford windstar lx ford windstar se ford windstar sel ford zx2 ford aerostar ford aspire ford bronco ford cab & chassis ford club wagon ford contour ford crown victoria ford cutaway ford econoline ford edge ford escape ford escort ford excursion ford. The pin assignment diagram is listed below. Hol lehet ilyet beszerezni (ha megoldható, nem ford mondeo erajzok ford probe gl 1991 wiring diagrams sch ford taurus lx 1992 wiring diagrams sch ford tempo gl.
Bmw E90 Fuse Box : 2006 2012 Bmw E90 Fuse Box Diagram Circuit Wiring Diagrams - Bmw e90 glove box gently pull the fuse box towards you releasing all the multi plugs from the rear. . Identifying and legend fuse box. Bmw e90 glove box gently pull the fuse box towards you releasing all the multi plugs from the rear. I was going to replace the entire cable as well but. There's a problem loading this menu right now. Fuses are located behind the glove box on the dashboard. Fuse box location and diagrams: Fuses are located behind the glove box on the dashboard. E90 voltage supply & bus systems. Washer, electric fan, bell, oil indicator, headlamp, fog light, alarm, heater, wiper, steering, door lock, power window, fuel pump indicator, heated seat, seat belt, power mirror. Fuse box info 1 год назад. 4a66 Bmw E92 Wiring Diagram Audio Wiring Resources from imgv2-1-f.scribdassets.com ...
2007 Gmc Envoy Fuse Box Diagram - 2002-2009 2004 GMC ENVOY FUSE BOX COVER OEM | eBay : Gmc envoy workshop, repair and owners manuals for all years and models. . There is a fuse location diagram on the underside of the engine bay fuse box cover and also another one in your owner's manual. The problem is that none of these call out anything for the interior fan. Our gmc automotive repair manuals are split into five broad categories; Gmc workshop manuals, gmc owners manuals, gmc wiring diagrams, gmc sales brochures and general miscellaneous gmc downloads. All gmc sierra info & diagrams provided on this site are provided for general information purpose only. Compare 2007 gmc envoy different trims Database contains 1 gmc 2007 envoy manuals (available for free online viewing or downloading in pdf): Car fuse box diagram, fuse panel map and layout. I can't find one anywhere, and why doesn't vw include itinerary their manual?? Remote radio control signal, re...
Arsenal Vs. Everton / Arsenal vs Everton LIVE: Updates and result as fans ... / B.leno, c.chambers, p.mari, r.holding, e.smith rowe, t.partey, d.ceballos, g.xhaka, n.pepe, b.saka, e.nketiah everton: . J.pickford, m.holgate, s.coleman, l.digne, b.godfrey, g.sigurdsson, a.gomes, j.rodriguez, allan, richarlison. Premier league match arsenal vs everton 23.04.2021. So if everton beat arsenal tonight, the gap will grow to six points and carlo ancelotti's men will have a game in hand still. Arsenal fans protesting outside the emirates ahead of game against everton. 1 lucas digne (dl) everton 2. So if everton beat arsenal tonight, the gap will grow to six points and carlo ancelotti's men will have a game in hand still. 1 lucas digne (dl) everton 2. Can mikel arteta's gunners overtake the toffees in the premier league table amid fan protests towards stan kroenke outside the emirates stadium? Arsenal vs everton predictions, football tips and statistics for this m...
Komentar
Posting Komentar